Products >> Wire Drawing Dies >> Tungsten Carbide Dies
Tungsten Carbide Dies
Our Tungsten Carbide wire drawing dies are the result of expert technology & precision
craftsmanship.
Tungsten Carbide Dies are srecially desirable in steel wire applications and in
other applications where the finish and wear resistance of diamond dies are unnecessary
and cost is a priority .
We offer a variety of Tungsten Carbide Dies for your various wire drawing needs
, including shaped wire dies & Tube Drawing Dies Our precise technology and exacting
standards guarantee you uniformity from one die To the next and even better control
of critical measurements , such as reduction angle, bearing length and hole size
dimension.
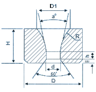
Specifications: Tungsten Carbide Dies
b:approach angle
c:reduction angle
e:back reliefe angle
f:exit angle
| Details | SoftWire | HardWire |
| Bell angle(a) | 70'+-20' | 60'+-20 |
| Approach angle(b) | 35'+-5' | 30'+-5' |
| Reduction angle(c) | 16'+-2 | 14'+-2' |
| Bearing Length(%d) | 20-50 | 40-80 |
| Back reliefe angle | 10'+-5' | 10'+5' |
HardWire: Stainless Steel, Copper Coated Steel, Tungsten, Molybdenum etc.
| SPECIFICATIONS: Tungsten Carbide Blanks/Pellets | ||||
| Type | D | H | R | Range of Bores |
| W 102 | 8 | 6 | 2 | 00.20-00.50 |
| W 103 | 10 | 8 | 3 | 00.20-00.90 |
| W 104 | 13 | 10 | 4 | 00.20-01.90 |
| W 105 | 15 | 13 | 5 | 00.70-02.50 |
| W 106 | 17 | 15 | 6 | 00.70-03.00 |
| W 107 | 19 | 17 | 7 | 02.00-04.00 |
| W 108 | 22 | 18 | 10 | 02.50-06.00 |
| W 109 | 25 | 20 | 12 | 05.00-07.00 |
| W 110 | 30 | 24 | 14 | 07.00-13.00 |
| W 111 | 30 | 24 | 16 | 13.00-16.00 |
| W 112 | 40 | 24 | 18 | 16.00-19.00 |
| W 113 | 45 | 25 | 20 | 19.00-22.00 |
| W 114 | 50 | 25 | 24 | 22.00-25.00 |
| W 115 | 55 | 27 | 26 | 25.00-30.00 |
| W 116 | 60 | 27 | 30 | 30.00-32.00 |
| W 117 | 65 | 27 | 32 | 36.00-38.00 |
| W 118 | 70 | 30 | 36 | 38.00-40.00 |




