Products >> DIAMOND TOOL PRODUCTS >> Single Layer Cluster Diamond Dressers
Single Layer Cluster Diamond Dressers
These
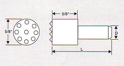
tools replace large single points. The cluster consist of 3,5,7,9,13, or 17 small
diamonds set in a variety of patterns for dressing larger or coarser and harder
wheels. Since more than one diamond comes in contact with the wheel, the workload
is devided. Also, since smaller diamonds are less expensive per carat than large
stones, cluster tools often effect important savings.
Cluster type diamond dressers give rapid-dressing without scoring and produce a consistent even surface on the grinding wheel. These dressers are resistant to shock and impact.
(AN ADEQUATE SUPPLY OF COOLANT SHOULD BE USED BOTH BEFORE AND DURING THE DRESSINHG OPERATION. IN ORDER TO PROLONG TOOL LIFE)
| CLUSTER DRESSERS | ||
| SIZE | CT. WT. | DIMENSIONS |
| 5/D | 0.75 |
|
|
|
||
| 7/D | 1.05 |
|
|
|
||
| 9/D | 1.00 |
|
| 12/D | 1.00 |
|




